| Sensor Size | 2/3" |
|---|---|
| Sensor Type | CMOS |
| Color | Mono |
| Resolution | |
| Shutter | Global |
| Interface | USB3.0 |
| Frame rate | 47 |
Displayed prices differing from actual price.
Please contact us for quotation.
ติดต่อเรา เพื่อสอบถามราคา
Download:
MV-CA050-12UM
| Sensor Size | 2/3" |
|---|---|
| Sensor Type | CMOS |
| Color | Mono |
| Resolution | |
| Shutter | Global |
| Interface | USB3.0 |
| Frame rate | 47 |
MV-CA050-12UM : กล้องอุตสาหกรรมความละเอียด 5MP ประสิทธิภาพสูงบนมาตรฐาน USB 3.0 จาก Hikrobot
ในยุคที่การตรวจสอบคุณภาพสินค้าต้องทำด้วยความรวดเร็วและแม่นยำสูง การเลือกใช้กล้องที่มีเซนเซอร์คุณภาพระดับโลกจึงเป็นปัจจัยสำคัญ MV-CA050-12UM คือโซลูชันที่ถูกออกแบบมาเพื่อตอบโจทย์งาน Machine Vision ที่ต้องการความละเอียดระดับ 5 ล้านพิกเซล พร้อมการส่งข้อมูลผ่านอินเทอร์เฟซ USB 3.0 ที่ให้แบนด์วิดท์กว้างและมีความเสถียรสูง เหมาะสำหรับการติดตั้งในระบบอัตโนมัติที่ต้องการความคล่องตัวและการเชื่อมต่อแบบ Plug-and-Play
The technical excellence of the MV-CA050-12UM is anchored by the Sony IMX264 sensor, a 2/3″ CMOS Global Shutter architecture renowned for its exceptional imaging fidelity. This sensor is specifically engineered to eliminate motion blur, making it the perfect choice for capturing high-speed production lines. By utilizing the USB 3.0 interface, the camera can transmit non-compressed raw imagery in real-time, achieving a robust frame rate of 47 fps at its full 2448 × 2048 resolution, providing a seamless stream of data for complex vision algorithms.

หัวใจสำคัญที่ทำให้กล้องรุ่นนี้โดดเด่นคือระบบประมวลผลภาพภายในตัวกล้อง (On-board ISP) ที่ชาญฉลาด ผู้ใช้งานสามารถเลือกปรับตั้งค่า Gain, Exposure Control และ White Balance ได้ทั้งแบบอัตโนมัติเพื่อความสะดวก หรือปรับด้วยตนเอง (Manual) เพื่อให้เข้ากับสภาวะแสงที่ซับซ้อนในโรงงานอุตสาหกรรม นอกจากนี้ยังรองรับการปรับค่า Gamma และ Look-Up Table (LUT) ช่วยให้นักวิศวกรวิชั่นสามารถดึงรายละเอียดของวัตถุออกมาได้ชัดเจนที่สุดก่อนที่จะส่งข้อมูลภาพไปยังซอฟต์แวร์ประมวลผล
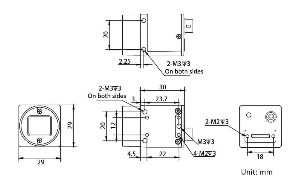
Reliability in an industrial environment is further enhanced by a versatile triggering system. The MV-CA050-12UM supports hardware triggers for precise synchronization with physical sensors, software triggers for application-based control, and a free-run mode for continuous monitoring. To prevent data loss during vibration-heavy operations, the camera body is equipped with M2 screw holes, allowing the USB 3.0 cable to be physically secured, ensuring a constant and uninterrupted link between the visual sensor and the host computer.
การออกแบบโครงสร้างเชิงกลของอุปกรณ์ชิ้นนี้เน้นความกะทัดรัดแต่ทนทาน ตัวบอดี้ทำจากโลหะที่ช่วยระบายความร้อนได้ดีเยี่ยม ทำให้สามารถทำงานต่อเนื่องได้ตลอด 24 ชั่วโมงโดยไม่ส่งผลกระทบต่อคุณภาพของพิกเซล ความยืดหยุ่นในการติดตั้งทำได้ง่ายด้วยรูยึดน็อตทั้ง 4 ด้าน ทำให้ MV-CA050-12UM สามารถเข้าไปเป็นส่วนหนึ่งของเครื่องจักรขนาดเล็กหรือแขนกลอัจฉริยะได้อย่างไร้ข้อจำกัด
In the semiconductor and electronic assembly sector, capturing microscopic details of PCB components requires high spatial resolution. The 5MP output of this device provides enough pixel density to identify missing components, misaligned pins, or solder defects on high-density boards. When integrated into an Automated Optical Inspection (AOI) system, the MV-CA050-12UM helps manufacturers increase their production yield and reduce manual inspection costs by delivering consistent and repeatable visual data.
สำหรับอุตสาหกรรมอาหารและเครื่องดื่ม (Food and Beverage) การตรวจสอบความถูกต้องของบรรจุภัณฑ์เป็นเรื่องที่ยอมรับความผิดพลาดไม่ได้ กล้องรุ่นนี้สามารถอ่านรหัสบาร์โค้ด ตรวจสอบระดับการเติมในขวด หรือตรวจสอบความถูกต้องของฉลากที่วิ่งผ่านกล้องด้วยความเร็วสูงได้อย่างแม่นยำ ด้วยคุณสมบัติของ Global Shutter ทำให้ภาพที่ได้มีความคมชัดทุกรายละเอียด ไม่มีการบิดเบี้ยวของภาพแม้ตัวขวดจะเคลื่อนที่อย่างรวดเร็วก็ตาม
The pharmaceutical industry also benefits immensely from the color-accurate imaging capabilities of this Hikrobot model. Verifying the integrity of medication packaging, such as checking blister packs for correct tablet placement, demands a visual sensor that provides high signal-to-noise ratios. Because the MV-CA050-12UM is fully compliant with the USB3 Vision Protocol and GenICam Standard, it can be seamlessly integrated into validated pharmaceutical systems, ensuring 100% quality compliance and consumer safety.
ข้อดีที่สุดอย่างหนึ่งสำหรับนักพัฒนาซอฟต์แวร์คือความสามารถในการทำงานร่วมกับซอฟต์แวร์วิชั่นระดับโลกเกือบทุกประเภท ไม่ว่าจะเป็น MVTec HALCON, Cognex VisionPro หรือไลบรารี OpenCV กล้องรุ่นนี้รองรับโปรโตคอลสากลอย่างสมบูรณ์ ช่วยลดระยะเวลาในการพัฒนาโครงการ (Time-to-Market) และลดความเสี่ยงในการเกิดความไม่เข้ากันระหว่างฮาร์ดแวร์และซอฟต์แวร์ในระยะยาว
Furthermore, the high-fidelity data provided by the MV-CA050-12UM is an essential asset for Deep Learning and Artificial Intelligence training. As manufacturing moves toward Industry 4.0, having uncompressed raw imagery allows neural networks to learn and detect subtle defects with higher confidence scores. This proactive approach to quality control enables predictive maintenance strategies, allowing factories to identify equipment drift or process failure before defective parts are even produced.
สรุปคุณสมบัติทางเทคนิคที่โดดเด่น:
การเลือกใช้เทคโนโลยีจาก Hikrobot คือการยกระดับความเชื่อมั่นให้กับคู่ค้าของคุณ ข้อมูลภาพที่แม่นยำจาก MV-CA050-12UM ช่วยลดอัตรา False Reject และเพิ่มความเร็วในการผลิต (Throughput) ได้อย่างมีนัยสำคัญ นอกจากนี้ยังช่วยให้การเก็บข้อมูลย้อนกลับ (Traceability) ทำได้อย่างสมบูรณ์แบบ ซึ่งเป็นมาตรฐานสำคัญที่โรงงานสมัยใหม่ต้องมีเพื่อรับรองคุณภาพสินค้าในระดับสากล
In summary, the MV-CA050-12UM provides a perfect balance of high resolution, high speed, and industrial-grade reliability. Whether your application is in high-speed sorting, semiconductor metrology, or medical packaging, this camera offers the imaging performance needed to exceed production benchmarks. Its robust mechanical design and adherence to global vision standards make it a premier choice for vision professionals aiming for zero-defect manufacturing and long-term operational success in a competitive market.

สรุปภาพรวม MV-CA050-12UM คือกล้องอุตสาหกรรมที่จะช่วยเปิดมุมมองใหม่ให้กับกระบวนการตรวจสอบคุณภาพสินค้าของคุณ หากคุณกำลังมองหาความแม่นยำ ความเสถียร และความคุ้มค่าในระยะยาว อุปกรณ์ชิ้นนี้คือตัวเลือกที่ดีที่สุดที่จะพาธุรกิจของคุณก้าวสู่มาตรฐาน Smart Factory ได้อย่างมั่นคง
หากคุณต้องการข้อมูลทางเทคนิคเพิ่มเติมเกี่ยวกับการเลือกใช้เลนส์อุตสาหกรรมที่เหมาะสมกับเซนเซอร์ขนาด 2/3 นิ้ว หรือต้องการคำปรึกษาในการออกแบบระบบแสง (Lighting) สำหรับ MV-CA050-12UM ทีมวิศวกรวิชั่นของเราพร้อมให้คำแนะนำและออกแบบโซลูชันร่วมกับคุณ ติดต่อเราวันนี้เพื่อรับใบเสนอราคาพิเศษและข้อเสนอการสนับสนุนทางเทคนิคแบบมืออาชีพสำหรับโครงการของคุณ
puk –
Good Support